HYSVE1191 #7 K46 GPR T4HB GRW
0.0469 x 0.1562 x 0.0625 Inches
0 ReviewsDescription
Stainless, Open, Ceramic Hybird, Extended Inner Ring, ABEC #7 , Flow Meter Bearings, HYSVE1191 #7 K46 GPR T4HB- Product Specifications
- Downloads
- Substitute Items
- Videos
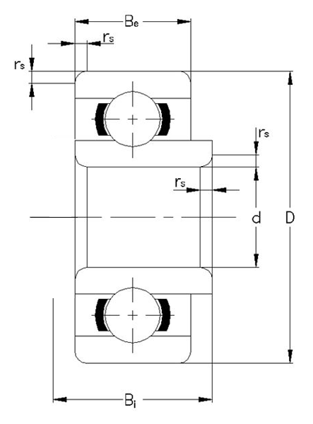
- ABEC/ISO Rating
- ABEC#7/ISOP4
- Ball Grade
- 5
- Ball Material
- CERAMIC SI3N4
- BEARING MATERIAL
- STAINLESS STEEL 440C
- DIMENSION TYPE
- INCH
- Enclosure No.
- OPEN
- Extended Width
- 0.0937
- ID
- 0.0469
- LUBE
- SHELL AF2 OIL
- OD
- 0.1562
- Radial Play
- OTHER
- RETAINER MATERIAL
- PHENOLIC
- Special
- YES
- Width
- 0.0625
-
HYSVE1191 #7 K24 GPR J
- Your Price:$167.93
Reviews
0 Reviews